产品名称:M12 KL系列12位 订货型号:KL12K-M12K4-P/DB 订货代码:

  • 模块可用作输入和输出设备缩短安装时间和简化接线

    快速准确的故障排除的电源

    信号LED灯显示

    DB插头连接

    更小外壳,适用于安装空间受限应用

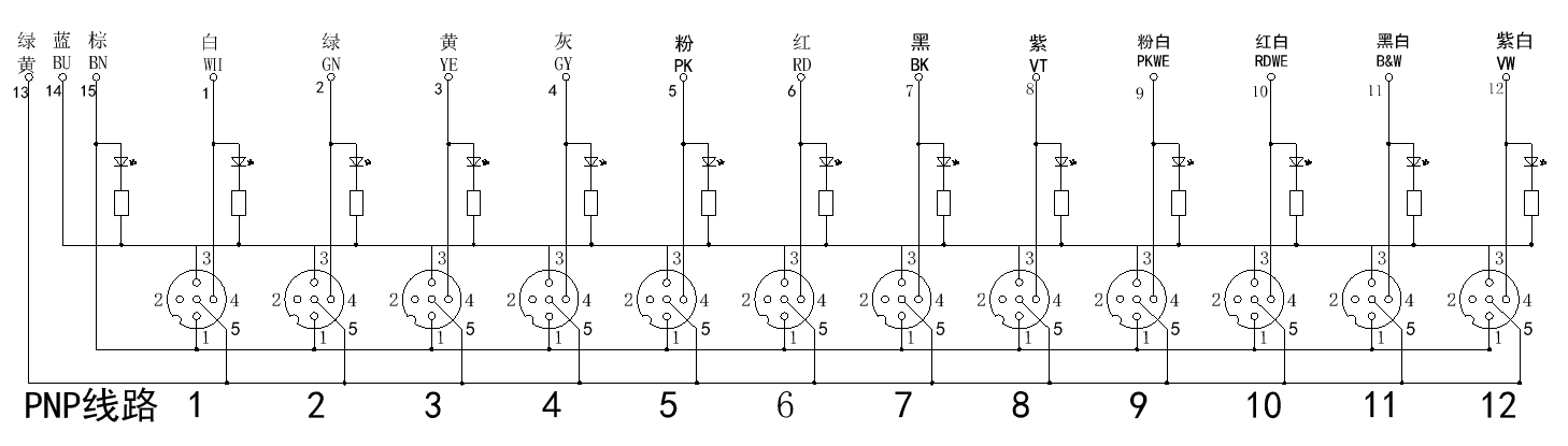
KL12K-M12K4-P-DB-1.jpg

KL12K-M12K4-P-DB-2.jpg

资料下载
文档 说明 文件
KL12K-M12K4-P-DB.pdf 1.27MB 下载
KL系列 M12 插头式 12位 3D模型.zip 688.05KB 下载

上一篇: M12 KL系列12位

下一篇: M12 KL系列12位

在线客服
返回顶部
版权所有 © 江苏凯策电气有限公司 All Rights Reserved,ICP:苏ICP备2022048870号